Cilindro KABA EXPERT PLUS Perfil Suizo
Este bombín KABA EXPERT PLUS de Perfil Suizo es uno de los cilindros más seguros del sector, anti-bumping y anti-gazuado, con llave incopiable y con una patente que garantiza la seguridad hasta 2033.
Protección de la llave KABA EXPERT PLUS
El núcleo del cilindro de seguridad consulta, controla y autoriza su llave. Con un máximo de 22 pitones a lo largo del cilindro, dispone de 3, 4 o 5 grupos radiales que garantizan la seguridad absoluta.
Bombillo KABA EXPERT PLUS para Perfil Suizo
- El sistema Kaba Expert Plus cuenta con 4 filas de pitones de seguridad, instalados en forma radial para conseguir la máxima seguridad así como suavidad de uso.
- Alta seguridad técnica anti-bumping, anti-ganzúas y anti-impresión mejorados.
- Duplicado de llaves controlado por tarjeta de propiedad “incopiable” que certifica la propiedad con cada cilindro.
- Apertura con llave por el exterior y por el interior. Doble Embrague
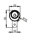
- Los pitones, contrapitones y muelles de acero templado disponen de una inclinación de 15º y 35º para dificultar, la lectura y reproducción de llaves ilícitas (protección anticopia y antiduplicado).
- Incluye 5 llaves con cabeza de color azul
- Llave reversible de puntos de alta seguridad de 22 pares de pitones.











No hay reseñas todavía.